frontline_emblem.gif (1743 bytes)

|    In-Circuit Emulators for 8051 Devices.   |   TMS320VC5416 Products.   |  Gang Programmers.   |   
 |    Device Programmers.   |    ARM Products.   |   DSP Products. |    World’s Advanced Trainers for Microcontroller / Microprocessors.   | 
|   Embedded Control Solutions - 8031 Microcontrollers.    |  Embedded Control Solutions - Renesas Microcontrollers.   |
|   DC Regulated Power Supplies.  |  Downloads.  |  Mailing List.  |  Contact.  |  Home.  |

Frontline
Embedded Design Contest


- Contest Home Page.
- Contest Page - 2009.
Message From.
Frontline Electronics.

FAQ.
- Contest Details.
- Project Request Form.
Project Design Kit.
- Resources.
- Quick Start Guides.
Contest Rules & Regulations.
Submitted Projects.
Contest Award Winners.

Frontline Embedded Design Contest - 2008.


Project Design Kit.

Introduction

Project Design Kit comes as a PCB with the microcontroller soldered in the micon top board along with its clock driving circuits and programming facility.

The micon can be programmed either using E8 Emulator interface or through serial port.

Two LED indicators are provided for power and programming mode.

The two serial channels are terminated in two 9 pin din connectors after conditioning the levels to RS232.

 

ProtoBoard

The Proto board comes with many interfacing options along with proto area:

  • Micon Top Board.
  • Reset Circuit.
  • E8 Emulator Interface.
  • RS232 Circuit
  • Power Supply Circuit.

 

Micon Top Board:

The port lines of the micon are terminated in a 40 DIP connector. The port lines from the micon top board are terminated in the base of proto board in a 40 pin FRC connector, CON5 to interface the user application circuits.

A crystal and two capacitors are connected to the oscillator pins (XIN and XOUT) of the Micon to generate clock pulses for proper operation of the Micon. The maximum value of the crystal will be 20 Mhz.

 

Reset Circuit:

The reset circuit consists of a resistor and a capacitor network, a push button switch and two NAND gates as shown below:

The RC circuit is connected to one input of an NAND gate. The power on reset signal and the reset from the E8 emulator are NANDed together and inverted again to give a reset signal to the Micon. A push button switch is also provided to give manual reset.

 

E8 Emulator Interface:

For debugging purpose, E8 emulator interfacing is provided.

The E8 emulator lines are terminated in a 14 pin FRC connector.

 

RS232 Circuit:

The two serial ports available in the micon are terminated in two separate 9 pin D-type connectors thorugh the RS232 level shifter MAX 232. Jumpers are provided to connect or disconnect the serial port lines to or from the level shifter.

The serial port 0 is terminated in the connector CON2 and the serial port 1 is terminated with the connector CON3.

For programming the flash area of the micon, serial port 1 is used.

 

Power Supply Circuit:

The proto board has on board 5V regulator circuit for the proper operation of Micon.

The 5 volts regulator is built around LM317 device as shown below:

For the protection against high voltage noise, a 5.1Volts TVS is connected across the +5V and ground lines. The power on is indicated by a green LED (LED2).

 

Terminations

The details of all connectors and the jumpers are provided here for user's convenience.

The following connectors are available in the proto board.

 

E8 Emulator Connector - CON1 : (14Pin FRC Connector)

The board has E8 emulator support. The required lines for E8 emulator connection is terminated in connector CON1 and the details are as follows:

1. NC               2. GND
3. NC               4. GND
5. NC               6. GND
7. MODE         8. VCC
9. NC              10. GND
11. NC            12. GND
13. RESET1  14. GND

Serial Port 0 Connector - CON2 : (9 pin Din Female Connector)

The serial port 0 lines (RXD0 and TXD0) are level shifted by MAX 232 and they are terminated as shown below:

1. NC
2. TXD
3. RXD
4. NC
5. GND
6. NC
7. NC
8. NC
9. NC

Serial Port 1 Connector - CON3 : (9 pin Din Female Connector)

The serial port 1 lines (RXD1 and TXD1) of the micon are terminated as shown below. They are level shifted by using MAX 232.

1. NC
2. TXD
3. RXD
4. NC
5. GND
6. NC
7. NC
8. NC
9. NC

Power Supply Connector - CON4 : (2Pin DC Barrel Type Connector)

1.+12V (Centre Pin)
2. GND ( Outer Pin)

 

I/O Connector :

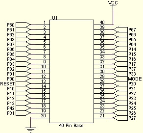
The I/O lines are terminated in a 40 pin FRC header. The I/O lines are also terminated in a 40 pin FRC connector CON5.

CON5 : (40Pin FRC Header)

1. P60/TREO                2. VCC
3. P61                            4. P67/INT3/RXD1
5. P62                            6. P66/INT2/TXD1
7. P63                            8. P65/CLK1
9. P07/AN0                 10. P64
11. P06/AN1               12. P14/TXD0
13. P05/AN2               14. P15/RXD0
15. P04/AN3               16. P16/CLK0
17. P03/AN4               18. P17/TRAIO/INT1
19. P02/AN5               20. P37/SSO
21. P01/AN6               22. P36/SSI
23. P00/AN7               24. MODE
25. RESET                 26. P20/TRDIOA0/TCLK
27. P10/KI0/AN8        28. P21/TRDIOB0
29. P11/KI1/AN9        30. P22/TRDIOC0
31. P12/KI2/AN10      32. P23/TRDIOD0
33. P13/KI3/AN11      34. P24/TRDIOA1
35. P42/VREF             36. P25/TRDIOB1
37. P31/TRBO            38. P26/TRDIOC1
39. GND                      40. P27/TRDIOD1

Jumpers:

The details of all jumpers are given below.

JP1:

This is a 3-pin jumper and it is used to connect on board +5V reference voltage or external reference voltage to the P42/VREF pin of the Micon.

Place the shunt in ‘+5V’ side to connect the on board reference voltage +5V to the Micon and on ‘EXT’ (External) side to connect the external reference voltage to the Micon.

JP2:

This 3-pin jumper is used to select operating mode of the micon as either normal or programming mode.

For Normal operation connect the pins 1&2 (on “NORM” side) of jumper and connect the pins 2&3 (on “PROG” side) for programming mode.

JP3 & JP5:

The 3-pin jumpers JP3 & JP5 can be used to connect the serial port lines TXD0 and RXD0 of the micon to the RS232 level shifter MAX 232.

Place the FRC shunt on ‘C’ (Connected) side to connect the port line to the level shifter, Otherwise place on ‘NC’ (Not Connected) side to disconnect it from the level shifter.

JP4 & JP6:

The jumpers JP4 and JP6 are 3 pin jumpers and they can be used to connect the serial port lines TXD1 and RXD1 of the micon to the RS232 level shifter MAX 232.

Place the FRC shunt on ‘C’ (Connected) side to connect the port line to the level shifter, Otherwise place on ‘NC’ (Not Connected) side to disconnect it from the level shifter.